Uygulama Alanları
Wilo Yonos Maxo serisi; sıcak su ısıtma sistemleri, iklimlendirme uygulamaları, kapalı devre soğutma sistemleri ve endüstriyel sirkülasyon uygulamalarında etkin kullanım amacıyla geliştirilmiştir. Islak rotorlu bu pompa, rakor veya flanş bağlantı alternatifleriyle tedarik edilmekte olup, otomatik güç uyarlamalı EC motoru sayesinde yüksek performans sunar. Konutlar, hastaneler, eğitim kurumları, idari yapılar ve endüstriyel tesisler gibi farklı bina tiplerinde ısıtma, soğutma ve iklimlendirme sistemlerinin güvenilir işleyişi için uygundur.
Tip Kodlaması
Örnek: Wilo-Yonos MAXO 30/0,5-12
· Yonos MAXO: Yüksek verimli, elektronik regülasyonlu sirkülasyon pompası (rakor veya flanş bağlantılı)
· 30/: Nominal bağlantı çapı
· 0,5-12: Nominal pompalama yüksekliği aralığı [m]
Donanım Özellikleri
· Rakor bağlantılı modellerde, gövde üzerinde montaj anahtarı yeri bulunmaktadır.
· Wilo soketi ile hızlı elektrik bağlantısı sağlanır; entegre çekme koruması vasıtasıyla ağ ve SSM sistemlerine bağlantı mümkündür.
· Flanşlı modellerde, DN 40 ila DN 65 arası PN 6 ve PN 16 karşı flanşı destekleyen kombine flanş (PN 6/10) bulunur. DN 80 ve DN 100 modelleri PN 6 (EN 1092-2 standardına uygun PN 16) için dizayn edilmiştir.
Ürün Özellikleri ve Avantajları
· LED ekran üzerinden basma yüksekliği, devir sayısı kademesi ve potansiyel arızalar izlenebilir.
· Standart pompaların yerine kolay montaj imkanı sağlayan üç devir sayısı kademesine sahiptir.
· Pratik elektrik bağlantısı için Wilo soket desteği mevcuttur.
· Genel arıza sinyali ile sistem güvenilirliği artırılmıştır.
· Kompakt yapı ve kullanıcı dostu tasarım avantajı sunar.
· Gerçek basma yüksekliğini gösteren ve uyarı sinyali bulunan LED ekran bulunmaktadır.
· Basma yüksekliği, 0,5 m’lik adımlarla ayarlanabilir.
· Tam motor koruması ve blokaj çözme fonksiyonu içerir.
· Yeşil buton teknolojisi ile kolay kontrol imkanı sunar.
· Kataforez kaplamalı gövde ile korozyona dayanıklılık sağlar.
· BCE-HVAC kontrol panosu ile dört adede kadar pompa için ana/yedek ve paralel işletim olanağı mevcuttur.
· ECM teknolojili senkron motor ve kademesiz basınç farkı kontrolü ile tüm HVAC projelerine tam uyumludur.
Standart Donanım
· Δp-c (sabit fark basıncı) ve Δp-v (değişken fark basıncı) olmak üzere önceden seçilmiş regülasyon modları.
· 3 sabit devir sayısı kademesi.
· Hedef değer ve hata mesajlarını gösteren LED ekran.
· Hızlı bağlantı için Wilo soket.
· Arıza lambaları ve genel arıza bildirimi kontağı.
· Flanşlı modellerde EN 1092-2 standardına uygun çeşitli flanş seçenekleri.
İşletim Verileri
· Akışkan: %100 Su
· Akışkan sıcaklığı: -20...110 °C
· Ortam sıcaklığı: -20...40 °C
· Maksimum işletim basıncı: 10 bar
· Minimum giriş yüksekliği: 7 m (50 °C), 15 m (95 °C), 23 m (110 °C)
Motor Teknik Özellikleri
· Enerji verimliliği endeksi (EEI): ≤ 0,2
· Parazit yayını ve dayanıklılığı: EN 61800-3;2004+A1;2012 (konut C1, sanayi C2)
· Elektrik bağlantısı: 1~230V/50 Hz
· Güç tüketimi: 1550 W
· Devir hızı aralığı: 900 – 3300 1/dk
· Koruma sınıfı: IPX4D
· Kablo bağlantısı: 2 x M20x1.5
Malzeme Bilgileri
· Pompa gövdesi: EN-GJL-250
· Çark: PP-LGF50
· Mil: 1.4028 paslanmaz çelik
· Yatak malzemesi: Karbon grafit
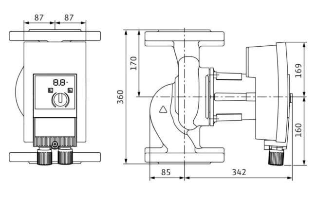
Montaj Ölçüleri
· Emiş tarafı boru bağlantısı: DN 100, PN16
· Basınç tarafı boru bağlantısı: DN 100, PN16
· Yapı uzunluğu: 360 mm
Tüm soru ve destek talepleriniz için müşteri temsilcilerimize telefonla ulaşabilir veya WhatsApp üzerinden 7/24 mesaj bırakabilirsiniz.
Kampanyalarımız ve indirimdeki ürünlerimizden haberdar olmak için, Bizi Takip etmeyi unutmayın.
Benzer Ürünler

