WİLO INITIAL LINE MONOFAZE GENLEŞME TANKLI YATAY HİDROFOR
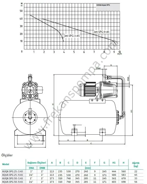
Wilo Initial Line Aqua SPG 50-9.45 1,1 kW Monofaze Yatay 50 Litre Genleşme Tanklı Hidrofor
(4 Kat - 17 Daire Kapasitesi)
Hidrofor seçimi nedir ? Konutuma Uygun hidroforun seçimini nasıl yaparım ?öğrenmek için aşşagıda bulunan butonuna tıklayın
Kendinden emişli döküm gövdeli jet pompa ile tasarlanmış tanklı hidrofor sistemidir.
Uygulama Alanları
· İçme suyu basınçlandırması
· Kuyulardan ve yer altı haznelerinden su temini
· Bahçe sulama uygulamaları
· Otomatik çalışma ve durma özelliğiyle, su kullanımına bağlı olarak 25 veya 50 litre hacminde yatay genleşme tankı seçenekleri
Özellikler
· İçme suyu ve su dağıtım uygulamaları için idealdir
· 8 metreye kadar emiş kapasitesine sahiptir
· Maksimum akışkan sıcaklığı: +35°C
· Şebeke bağlantısı: 1~230V, 50Hz
· Koruma/Yalıtım sınıfı: F
· Maksimum emme yüksekliği: 8 m
Malzeme Özellikleri
· Çark: Noryl (3-45 modeli), Paslanmaz Çelik (AISI 304) (9-45 modeli)
· Pompa Gövdesi: Döküm
· Motor Gövdesi: Alüminyum
· Mekanik Salmastra: Seramik/Grafit/NBR
· Difüzör: Noryl
· Tank Membranı: Butyl
Kampanyalarımız ve indirimdeki ürünlerimizden haberdar olmak için, Bizi Takip etmeyi unutmayın.
Benzer Ürünler
