WİLO İNİTİAL LİNE MONOFAZE GENLEŞME TANKLI YATAY HİDROFOR
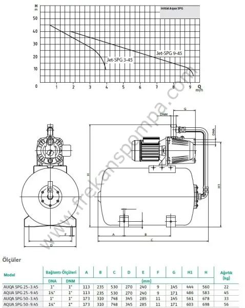
Wilo Initial Line Aqua SPG 50-3.45 0,75kw Monofaze Yatay 50 Litre Genleşme Tanklı Hidrofor
(4kat - 9daire)
Hidrofor seçimi nedir ? Konutuma Uygun hidroforun seçimini nasıl yaparım ?öğrenmek için aşşagıda bulunan butonuna tıklayın
endinden emişli, döküm gövdeli jet pompa ile tasarlanmış olan bu hidrofor, içme suyu basınçlandırma, kuyulardan veya derin haznelerden su temini ve bahçe sulama gibi işlemler için uygundur. Otomatik olarak su kullanımına bağlı çalışır ve durur. 25 ile 50 litre hacminde yatay genleşme tankı seçeneği mevcuttur.
Uygulama Alanları
· İçme suyu uygulamaları
· Kuyulardan su temini
· Su dağıtımı işlemleri
· Bahçe sulama
· Maksimum 4 kat ve 17 daireye kadar binalarda kullanıma uygundur
Teknik Özellikler
· Maksimum akışkan sıcaklığı: +35 °C
· Şebeke bağlantısı: 1~230 V, 50 Hz
· Koruma/Yalıtım sınıfı: F
· Maksimum emme yüksekliği: 8 m
· Çark: Noryl (3-45 modeli) / Paslanmaz Çelik AISI 304 (9-45 modeli)
· Pompa gövdesi: Döküm
· Motor gövdesi: Alüminyum
· Mekanik salmastra: Seramik/Grafit/NBR
· Difüzör: Noryl
· Tank membranı: Butyl
Avantajlar
8 metreye kadar emiş kapasitesiyle verimli ve güvenilir performans sağlar. Su dağıtımında ve içme suyu sistemlerinde ideal çözüm sunar.
Tüm soru ve destek talepleriniz için müşteri temsilcilerimize telefonla ulaşabilir veya WhatsApp üzerinden 7/24 mesaj bırakabilirsiniz.
Kampanyalarımız ve indirimdeki ürünlerimizden haberdar olmak için, Bizi Takip etmeyi unutmayın.
Bu ürüne ilk yorumu siz yapın!
Ürün hakkında henüz soru sorulmamış.
Sitemize ilk yorumu siz yapın!
Benzer Ürünler
Initial aqua SPG 50-3.45 50 LT TANKLI SET HİDROFOR 4KAT 9 DAİRE
36.162,12 TL
